

編碼器EC35A產品簡介
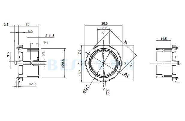
EC35A編碼器也可稱為環形編碼器、中空編碼器、阿爾卑斯編碼器等,有金屬軸/絕緣軸/貫通軸/中空軸等類別之分。旋轉柄的直徑為28.8mm,高度 20mm,因其本體厚度4.5mm的薄型化和良好的操作感覺,現大量使用于汽車音響的音量調節、空調溫度調節、洗衣機功能選擇、電磁爐、微波爐、烤箱溫度 調節等產品上面。
編碼器EC35A技術參數
額定:10mA 5V DC
使用溫度范圍:–40? to 185?
輸出電壓:1mA 5V DC(電阻負載)時 2.5V以下
絕緣電阻:100M?min. 250V DC
耐電壓:300V AC for 1minute
操作壽命:50,000cycles
編碼器EC35A參考圖紙


Copyright © 廣東精密龍電子科技有限公司 版權所有 粵ICP備17035144號 粵公網安備44130202001184號
全國服務電話:0755-83205533 傳真:0755-83761155
公司地址:深圳市龍崗區龍崗大道8288號深圳大運軟件小鎮45棟2樓

