

輕觸開關TS-1189E產品簡介
輕觸開關TS-1189E是輕觸按鍵開關,俗稱“大烏龜”,內外貼有一層防塵膜,帶定位柱。TS-1189E輕觸開關的力度有160g和250g兩種,包裝方式也有袋裝(1000pcs/包)和編帶(3000pcs/盤)兩種。主要用于數碼產品、玩具、安防等行業的小型輕觸開關。輕觸按鍵開關TS- 1189E是百斯特研發銷售。
輕觸開關TS-1189E技術參數
使用范圍溫度:-20℃~70℃
保存溫度范圍:-30℃~80℃
額定值:DC 12V 50mA
接觸電阻:≤50mΩ
絕緣電阻:≥100 MΩ
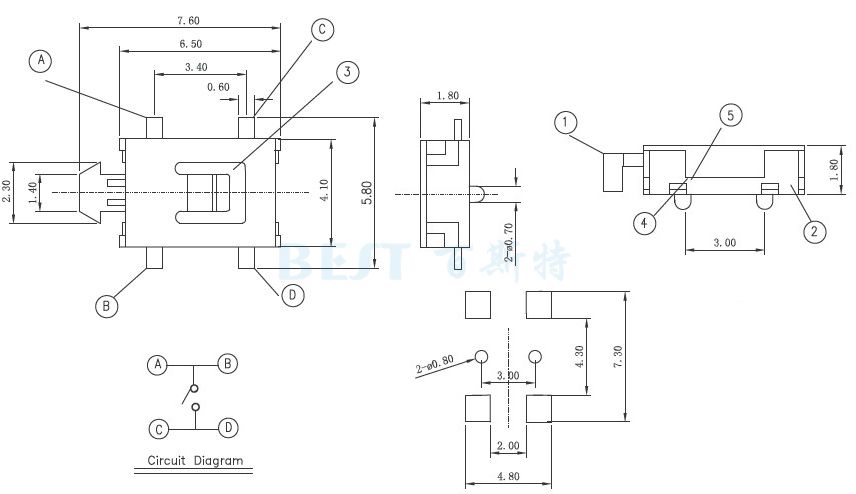
輕觸開關TS-1189E參考圖紙
單位:mm


Copyright © 廣東精密龍電子科技有限公司 版權所有 粵ICP備17035144號 粵公網安備44130202001184號
全國服務電話:0755-83205533 傳真:0755-83761155
公司地址:深圳市龍崗區龍崗大道8288號深圳大運軟件小鎮45棟2樓

