

輕觸開關TS-1181U產品簡介
輕觸開關TS-118U市場上稱為:3*6輕觸開關,U型腳輕觸開關。產品可過回流焊240度高溫時間。此款輕觸開關的驅動力度有160gf和250gf 兩種標準,按鍵的顏色有紅色和白色兩種款式,產品的包裝方式分為:袋裝(1000PCS/包)和卷裝也就是編帶(3000PCS/盤)兩種類型。
輕觸開關TS-1181U技術參數
環境溫度:-20度~ 70度
保存溫度:-30度-80度
額定電負荷:DC12V 50MA
接觸電阻:≤100Ω
絕緣電阻:≥100MΩ
耐電壓:AC250V.50HZ/1min
輕觸開關壽命:50000次
驅動力:160GF 250GF
行程:0.25mm±0.1mm
回復力:50GF min
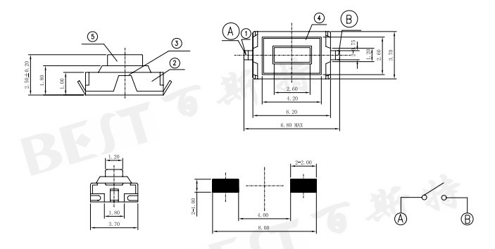
輕觸開關TS-1181U參考圖紙


Copyright © 廣東精密龍電子科技有限公司 版權所有 粵ICP備17035144號 粵公網安備44130202001184號
全國服務電話:0755-83205533 傳真:0755-83761155
公司地址:深圳市龍崗區龍崗大道8288號深圳大運軟件小鎮45棟2樓

